隨著機床裝備技術的發展,高精度、高效率成為當前機械行業的重要技術特點,機床滾珠絲杠支承軸承逐漸放棄傳統的配對角接觸球的結構模式,轉而采用滾針/推力圓柱滾子軸承的結構形式。
滾針/推力圓柱滾子軸承采用外圈加厚的滾針軸承和兩列推力圓柱滾子軸承的組合結構,可以承受更大的徑向/軸向載荷,具備更高的徑向/軸向剛性,同時該系列軸承軸向跳動精度可達1μm,特別符合當前機械加工行業所要求的高精度,高承載,高效率的特點。
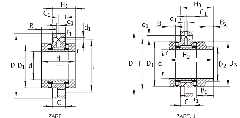
產品特性
滾針/推力圓柱滾子軸承包括一個加厚的外圈、滾針保持器組件、滾針內圈、兩個推力圓柱滾子保持器組件和兩個推理軸圈,相當于一套滾針軸承和兩套推力圓柱滾子軸承的組合軸承,兩個推力圓柱滾子軸承中心和滾針軸承中心重合。
滾針/推力圓柱滾子軸承可以承受兩個方向的軸向力、徑向力和傾覆力矩。
滾針/推力圓柱滾子軸承按照外圈安裝方式的差異可以分為螺栓安裝和非螺栓安裝兩個類型系列。
產品名稱:ZARF系列
參數:


| 軸徑 mm | 公稱型號 | 重量 g | 公稱型號 | 重量 g | 尺寸 | 基本額定載荷 | 極限轉速 | 固定螺栓 | 擰緊 力矩 Nm | 摩擦 力矩 Nm | ||||||||||||||||||||||
| d | D | H | H1 | H2 | H3 | C | C1 | D1 | D2 | D3 | B | B1 | B2 | r | r1 | d1 | J | 徑向 | 軸向 | 油rpm | 脂rpm | 規格 | 數量 | |||||||||
| 動Cr KN | 靜Cor KN | 動Cr KN | 靜Cor KN | |||||||||||||||||||||||||||||
| 15 | ZARF 1560TN | 420 | ZARF 1560LTN | 450 | 15 | 60 | 40 | 26.0 | 53 | 39.0 | 14.0 | 8 | 35 | 24 | 34 | 8.0 | 21.0 | 11 | 0.3 | 0.6 | 3.2 | 46.0 | 13.0 | 17.5 | 24.9 | 53.0 | 8500 | 2200 | M6 | 6 | 10 | 0.35 |
| 17 | ZARF 1762TN | 490 | ZARF 1762LTN | 520 | 17 | 62 | 43 | 27.5 | 57 | 41.5 | 14.0 | 8 | 38 | 28 | 38 | 9.5 | 23.5 | 11 | 0.3 | 0.6 | 3.2 | 48.0 | 14.0 | 19.9 | 26.0 | 57.0 | 7800 | 2100 | M6 | 6 | 12 | 0.4 |
| 20 | ZARF 2068TN | 560 | ZARF 2068LTN | 610 | 20 | 68 | 46 | 29.0 | 60 | 43.0 | 14.0 | 8 | 42 | 30 | 40 | 10.0 | 24.0 | 11 | 0.3 | 0.6 | 3.2 | 53.0 | 14.1 | 20.6 | 27.4 | 77.0 | 7000 | 2000 | M6 | 8 | 18 | 0.5 |
| ZARF 2080TN | 1100 | ZARF 2080LTN | 1220 | 20 | 80 | 60 | 38.0 | 75 | 53.0 | 18.0 | 10 | 52 | 40 | 50 | 13.0 | 28.0 | 11 | 0.3 | 0.6 | 3.2 | 63.0 | 22.6 | 36.0 | 64.0 | 88.0 | 6000 | 1500 | M6 | 12 | 38 | 1.3 | |
| 25 | ZARF 2575TN | 780 | ZARF 2575LTN | 840 | 25 | 75 | 50 | 33.0 | 65 | 48.0 | 18.0 | 10 | 47 | 36 | 45 | 10.0 | 25.0 | 11 | 0.3 | 0.6 | 3.2 | 58.0 | 24.8 | 39.8 | 30.5 | 93.5 | 6000 | 1900 | M6 | 8 | 25 | 0.55 |
| ZARF 2590TN | 1600 | ZARF 2590LTN | 1750 | 25 | 90 | 60 | 38.0 | 75 | 53.0 | 18.0 | 10 | 62 | 48 | 60 | 12.0 | 27.0 | 11 | 0.3 | 0.6 | 3.2 | 73.0 | 24.8 | 41.4 | 80.0 | 199.0 | 4900 | 1400 | M6 | 12 | 55 | 1.6 | |
| 30 | ZARF 3080TN | 850 | ZARF 3080LTN | 900 | 30 | 80 | 50 | 33.0 | 65 | 48.0 | 18.0 | 10 | 52 | 40 | 50 | 10.0 | 25.0 | 11 | 0.3 | 0.6 | 3.2 | 63.0 | 24.3 | 41.0 | 33.9 | 110.0 | 5500 | 1800 | M6 | 12 | 32 | 0.65 |
| ZARF 30105TN | 1950 | ZARF 30105LTN | 2150 | 30 | 105 | 66 | 41.0 | 82 | 57.0 | 18.0 | 10 | 68 | 52 | 66 | 15.0 | 31.0 | 12 | 0.3 | 0.6 | 3.2 | 85.0 | 25.9 | 45.8 | 75.7 | 221.0 | 4400 | 1300 | M8 | 12 | 75 | 2.1 | |
| 35 | ZARF 3590TN | 1120 | ZARF 3590LTN | 1250 | 35 | 90 | 54 | 35.0 | 70 | 51.0 | 18.0 | 10 | 60 | 45 | 58 | 11.0 | 27.0 | 12 | 0.3 | 0.6 | 3.2 | 73.0 | 26.0 | 47.0 | 45.9 | 105.4 | 4800 | 1700 | M6 | 12 | 42 | 0.9 |
| ZARF 35110TN | 1600 | ZARF 35110LTN | 1850 | 35 | 110 | 66 | 41.0 | 82 | 57.0 | 18.0 | 10 | 73 | 60 | 73 | 14.0 | 30.0 | 12 | 0.3 | 0.6 | 3.2 | 88.0 | 28.0 | 52.7 | 78.2 | 237.6 | 4000 | 1250 | M8 | 12 | 100 | 2.3 | |
| 40 | ZARF 40100TN | 1350 | ZARF 40100LTN | 1450 | 40 | 100 | 54 | 34.0 | 70 | 51.0 | 18.0 | 10 | 65 | 50 | 63 | 11.0 | 27.0 | 12 | 0.3 | 0.6 | 3.2 | 80.0 | 30.4 | 58.6 | 51.7 | 180.1 | 4400 | 1600 | M8 | 8 | 55 | 1 |
| ZARF 40115TN | 2700 | ZARF 40115LTN | 3000 | 40 | 115 | 75 | 47.5 | 93 | 65.5 | 22.5 | 12.5 | 78 | 60 | 78 | 16.0 | 34.0 | 12 | 0.3 | 0.6 | 6.0 | 94.0 | 40.9 | 72.5 | 84.2 | 269.2 | 3700 | 1200 | M8 | 12 | 120 | 2.5 | |
| 45 | ZARF 45105TN | 1700 | ZARF 45105LTN | 1850 | 45 | 105 | 60 | 40.0 | 75 | 55.0 | 22.5 | 12.5 | 70 | 56 | 68 | 11.5 | 26.5 | 12 | 0.3 | 0.6 | 6.0 | 85.0 | 38.0 | 74.0 | 81.0 | 177.0 | 4000 | 1500 | M8 | 8 | 65 | 1.2 |
| ZARF 45130TN | 3900 | ZARF 45130LTN | 4300 | 45 | 130 | 82 | 51.0 | 103 | 42.0 | 22.5 | 12.5 | 90 | 70 | 88 | 17.5 | 38.5 | 14 | 0.3 | 0.6 | 6.0 | 105.0 | 42.5 | 78.8 | 115.9 | 363.0 | 3300 | 1150 | M8 | 12 | 150 | 3.5 | |
| 50 | ZARF 50115TN | 2100 | ZARF 50115LTN | 2450 | 50 | 115 | 60 | 40.0 | 78 | 58.0 | 22.5 | 12.5 | 78 | 60 | 78 | 11.5 | 29.5 | 12 | 0.3 | 0.6 | 6.0 | 94.0 | 42.6 | 78.8 | 44.2 | 158.4 | 3600 | 1200 | M8 | 12 | 85 | 2.2 |
| ZARF 50140TN | 4200 | ZARF 50140LTN | 4650 | 50 | 140 | 82 | 51.0 | 103 | 72.0 | 22.5 | 12.5 | 95 | 75 | 93 | 17.5 | 38.5 | 14 | 0.3 | 0.6 | 6.0 | 113.0 | 45.5 | 88.1 | 119.3 | 387.2 | 3100 | 1100 | M10 | 12 | 180 | 3.8 | |
| 55 | ZARF 55145TN | 4500 | ZARF 55145LTN | 5000 | 55 | 145 | 82 | 51.0 | 103 | 72.0 | 22.5 | 12.5 | 100 | 80 | 98 | 17.5 | 38.5 | 14 | 0.3 | 0.6 | 6.0 | 118.0 | 49.0 | 109.9 | 126.0 | 369.0 | 2900 | 1000 | M10 | 12 | 220 | 4 |
| 60 | ZARF 60150TN | 4700 | ZARF 60150LTN | 5350 | 60 | 150 | 82 | 51.0 | 103 | 72.0 | 22.5 | 12.5 | 105 | 90 | 105 | 17.5 | 38.5 | 16 | 0.3 | 0.6 | 6.0 | 123.0 | 54.9 | 118.6 | 141.0 | 505.0 | 2700 | 950 | M10 | 12 | 250 | 4.2 |
| 65 | ZARF 65155TN | 5120 | ZARF 65155LTN | 5720 | 65 | 155 | 82 | 51.0 | 103 | 72.0 | 22.5 | 12.5 | 110 | 90 | 108 | 17.5 | 38.5 | 16 | 0.3 | 0.6 | 6.0 | 128.0 | 54.2 | 100.8 | 126.2 | 441.4 | 2600 | 900 | M10 | 12 | 270 | 4 |
| 70 | ZARF 70160TN | 5200 | ZARF 70160LTN | 6000 | 70 | 160 | 82 | 51.0 | 103 | 72.0 | 22.5 | 12.5 | 115 | 100 | 115 | 17.5 | 38.5 | 16 | 0.3 | 0.6 | 6.0 | 133.0 | 69.6 | 143.5 | 143.0 | 532.0 | 2400 | 800 | M10 | 12 | 330 | 4.8 |
| 75 | ZARF 75185TN | 9400 | ZARF 75185LTN | 10610 | 75 | 185 | 100 | 62.0 | 125 | 87.0 | 27.0 | 15.0 | 135 | 115 | 135 | 21.0 | 46.0 | 16 | 0.3 | 1.0 | 6.0 | 155.0 | 95.0 | 193.0 | 233.0 | 769.0 | 2100 | 700 | M12 | 12 | 580 | 8 |
| 90 | ZARF 90210TN | 13700 | ZARF 90210LTN | 15100 | 90 | 210 | 110 | 69.5 | 135 | 94.5 | 32.0 | 17.5 | 160 | 130 | 158 | 22.5 | 47.5 | 16 | 0.3 | 1.0 | 8.0 | 180.0 | 101.0 | 225.6 | 320.0 | 1172.0 | 1800 | 700 | M12 | 16 | 960 | 10.5 |



